Náhradní díly Kuchyňský robot a mixér Bosch MUM5634002
Kuchyňský robot a mixér Bosch MUM5634002
E-NR: MUM56340/02

Technické nákresy náhradních dílů
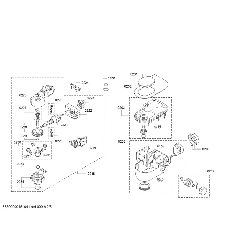
Běžec - 00653825 - p.0221
Běžec - 00653825 - p.0221, Náhradní díly Kuchyňský robot a ...
Boční kryt - 00703174 - p.0102
Boční kryt - 00703174 - p.0102, Náhradní díly Kuchyňský ...
Držák - 00621912 - p.0224
Držák - 00621912 - p.0224, Náhradní díly Kuchyňský robot a ...
Držák - 00653138 - p.0103
Držák - 00653138 - p.0103, Náhradní díly Kuchyňský robot a ...
Gumové nožičky - 00622325 - p.0120
Gumové nožičky - 00622325 - p.0120, Náhradní díly Kuchyňský ...
Hák, těsto - 00080060 - p.0305
Hák, těsto - 00080060 - p.0305, Náhradní díly Kuchyňský ...
Hnací hřídel - 00622181 - p.0230
Hnací hřídel - 00622181 - p.0230, Náhradní díly Kuchyňský ...
Hnací hřídel - 00747772 - p.0218
Hnací hřídel - 00747772 - p.0218, Náhradní díly Kuchyňský ...
Knoflík - 00621904 - p.0101
Knoflík - 00621904 - p.0101, Náhradní díly Kuchyňský robot ...
Knoflík - 00621918 - p.0207
Knoflík - 00621918 - p.0207, Náhradní díly Kuchyňský robot ...
Kolečko - 00029460 - p.0229
Kolečko - 00029460 - p.0229, Náhradní díly Kuchyňský robot ...
Kotouč - 00080159 - p.0407
Kotouč - 00080159 - p.0407, Náhradní díly Kuchyňský robot a ...
Kotouč - 00083577 - p.0409
Kotouč - 00083577 - p.0409, Náhradní díly Kuchyňský robot a ...
Kotouč, řezací - 00642221 - p.0408
Kotouč, řezací - 00642221 - p.0408, Náhradní díly Kuchyňský ...
Kroužek - 00601717 - p.0233
Kroužek - 00601717 - p.0233, Náhradní díly Kuchyňský robot ...
Kroužek - 00625790 - p.0236
Kroužek - 00625790 - p.0236, Náhradní díly Kuchyňský robot ...
Kryt - 00262066 - p.0501
Kryt - 00262066 - p.0501, Náhradní díly Kuchyňský robot a ...
Kryt - 00653187 - p.0401
Kryt - 00653187 - p.0401, Náhradní díly Kuchyňský robot a ...
Kryt - 00703151 - p.0108
Kryt - 00703151 - p.0108, Náhradní díly Kuchyňský robot a ...
Kužel - 00657371 - p.0414
Kužel - 00657371 - p.0414, Náhradní díly Kuchyňský robot a ...
Ložisko - 00020640 - p.0227
Ložisko - 00020640 - p.0227, Náhradní díly Kuchyňský robot ...
Magnet - 00181212 - p.0232
Magnet - 00181212 - p.0232, Náhradní díly Kuchyňský robot a ...
Matka - 00050365 - p.0506
Matka - 00050365 - p.0506, Náhradní díly Kuchyňský robot a ...
Metla - 00650542 - p.0304
Metla - 00650542 - p.0304, Náhradní díly Kuchyňský robot a ...
Metla - 00650543 - p.0303
Metla - 00650543 - p.0303, Náhradní díly Kuchyňský robot a ...
Metla - 00659889 - p.8050
Metla - 00659889 - p.8050, Náhradní díly Kuchyňský robot a ...
Mísa na míchání - 00703186 - p.0301
Mísa na míchání - 00703186 - p.0301, Náhradní díly ...
Modul - 00621922 - p.0406
Modul - 00621922 - p.0406, Náhradní díly Kuchyňský robot a ...
Modul, hliník - 00622179 - p.0416
Modul, hliník - 00622179 - p.0416, Náhradní díly Kuchyňský ...
Modul, hliník - 00630760 - p.0404
Modul, hliník - 00630760 - p.0404, Náhradní díly Kuchyňský ...
Nádoba - 00652175 - p.0510
Nádoba - 00652175 - p.0510, Náhradní díly Kuchyňský robot a ...
Nádoba - 00653191 - p.0413
Nádoba - 00653191 - p.0413, Náhradní díly Kuchyňský robot a ...
Napínací kladka - 00621857 - p.0107
Napínací kladka - 00621857 - p.0107, Náhradní díly ...
Naviják kabelu - 00653134 - p.0116
Naviják kabelu - 00653134 - p.0116, Náhradní díly Kuchyňský ...
Noha - 00622401 - p.0511
Noha - 00622401 - p.0511, Náhradní díly Kuchyňský robot a ...
Noha - 10002430 - p.0512
Noha - 10002430 - p.0512, Náhradní díly Kuchyňský robot a ...
Nůž - 00620949 - p.0504
Nůž - 00620949 - p.0504, Náhradní díly Kuchyňský robot a ...
Nůž - 00622178 - p.0415
Nůž - 00622178 - p.0415, Náhradní díly Kuchyňský robot a ...
Otočná objímka - 00653168 - p.0113
Otočná objímka - 00653168 - p.0113, Náhradní díly Kuchyňský ...
Otočné rameno - 00703179 - p.0205
Otočné rameno - 00703179 - p.0205, Náhradní díly Kuchyňský ...
Otočné rameno - 00740380 - p.0203
Otočné rameno - 00740380 - p.0203, Náhradní díly Kuchyňský ...
Ozubené kolo - 00622182 - p.0228
Ozubené kolo - 00622182 - p.0228, Náhradní díly Kuchyňský ...
Ozubené kolo, kuželové - 00177503 - p.0231
Ozubené kolo, kuželové - 00177503 - p.0231, Náhradní díly ...
Páka - 00621907 - p.0104
Páka - 00621907 - p.0104, Náhradní díly Kuchyňský robot a ...
Pěchovadlo - 00650682 - p.0503
Pěchovadlo - 00650682 - p.0503, Náhradní díly Kuchyňský ...
Pouzdro horní část - 12013003 - p.0402
Pouzdro horní část - 12013003 - p.0402, Náhradní díly ...
Přepínač - 00629298 - p.0118
Přepínač - 00629298 - p.0118, Náhradní díly Kuchyňský robot ...
Pružina - 00621858 - p.0106
Pružina - 00621858 - p.0106, Náhradní díly Kuchyňský robot ...
Pružina - 00622177 - p.0121
Pružina - 00622177 - p.0121, Náhradní díly Kuchyňský robot ...
Rám - 12011073 - p.0225
Rám - 12011073 - p.0225, Náhradní díly Kuchyňský robot a ...
Rám - 12011073 - p.0235
Rám - 12011073 - p.0235, Náhradní díly Kuchyňský robot a ...
Řídicí modul - 00629487 - p.0219
Řídicí modul - 00629487 - p.0219, Náhradní díly Kuchyňský ...
Šnek - 00050366 - p.0502
Šnek - 00050366 - p.0502, Náhradní díly Kuchyňský robot a ...
Spínací prvek - 00621908 - p.0114
Spínací prvek - 00621908 - p.0114, Náhradní díly Kuchyňský ...
Spojka - 00032884 - p.0403
Spojka - 00032884 - p.0403, Náhradní díly Kuchyňský robot a ...
Spojka - 00418076 - p.0507
Spojka - 00418076 - p.0507, Náhradní díly Kuchyňský robot a ...
Spojka - 00620950 - p.0505
Spojka - 00620950 - p.0505, Náhradní díly Kuchyňský robot a ...
Stator - 00622323 - p.0222
Stator - 00622323 - p.0222, Náhradní díly Kuchyňský robot a ...
Stěrač - 00619166 - p.0306
Stěrač - 00619166 - p.0306, Náhradní díly Kuchyňský robot a ...
Štítek - 00623323 - p.0198
Štítek - 00623323 - p.0198, Náhradní díly Kuchyňský robot a ...
Taška - 00653180 - p.0307
Taška - 00653180 - p.0307, Náhradní díly Kuchyňský robot a ...
Taška - 00653180 - p.8051
Taška - 00653180 - p.8051, Náhradní díly Kuchyňský robot a ...
Tělo - 00653129 - p.0119
Tělo - 00653129 - p.0119, Náhradní díly Kuchyňský robot a ...
Těsnění - 00020649 - p.0234
Těsnění - 00020649 - p.0234, Náhradní díly Kuchyňský robot ...
Těsnění - 00028277 - p.0508
Těsnění - 00028277 - p.0508, Náhradní díly Kuchyňský robot ...
Uhlíky - 00638020 - p.0226
Uhlíky - 00638020 - p.0226, Náhradní díly Kuchyňský robot a ...
Ventilátor - 00622184 - p.0220
Ventilátor - 00622184 - p.0220, Náhradní díly Kuchyňský ...
Věž mixéru - 00703198 - p.0410
Věž mixéru - 00703198 - p.0410, Náhradní díly Kuchyňský ...
Víko - 00621915 - p.0201
Víko - 00621915 - p.0201, Náhradní díly Kuchyňský robot a ...
Víko - 00621920 - p.0206
Víko - 00621920 - p.0206, Náhradní díly Kuchyňský robot a ...
Víko - 00653175 - p.0202
Víko - 00653175 - p.0202, Náhradní díly Kuchyňský robot a ...
Víko - 00653178 - p.0302
Víko - 00653178 - p.0302, Náhradní díly Kuchyňský robot a ...
Víko - 10005576 - p.0412
Víko - 10005576 - p.0412, Náhradní díly Kuchyňský robot a ...
Západka - 00621855 - p.0117
Západka - 00621855 - p.0117, Náhradní díly Kuchyňský robot ...
Zásuvka - 00630767 - p.0405
Zásuvka - 00630767 - p.0405, Náhradní díly Kuchyňský robot ...
Zásuvka - 00653133 - p.0115
Zásuvka - 00653133 - p.0115, Náhradní díly Kuchyňský robot ...